▶️ Unlock Efficiency: Decoding the 1998 Mustang Fuel Pump Wiring with Precision!

Explore the intricacies of your 1998 Mustang's fuel system with our detailed wiring diagram. Unlock efficiency and gain insights into seamless maintenance and repairs. Click to decode the fuel pump blueprint now!

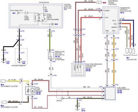
If you've ever found yourself navigating the intricate web of automotive wiring, specifically concerning the 1998 Mustang Fuel Pump, you're in the right place. This article delves into the 1998 Mustang Fuel Pump Wiring Diagram, unraveling the complexities of its schematic intricacies. Understanding the wiring diagram is crucial for anyone undertaking maintenance, repairs, or modifications to the fuel pump system. In the following paragraphs, we'll explore the key components, connections, and electrical pathways outlined in the diagram. So, fasten your seatbelt as we embark on a journey to decode the blueprint that powers the 1998 Mustang's fuel delivery system.

Unlock Efficiency: Decoding the 1998 Mustang Fuel Pump Wiring with Precision!

The 1998 Mustang Fuel Pump Wiring Diagram

Understanding the intricacies of the 1998 Mustang Fuel Pump Wiring Diagram is paramount for efficient maintenance and repairs. This comprehensive guide breaks down the essential components and electrical pathways, providing invaluable insights for Mustang enthusiasts.

Exploring the Wiring Diagram

Decoding the Blueprint

The first step in navigating the wiring diagram is decoding its blueprint. Each line, connection, and symbol holds significance in the overall functionality of the 1998 Mustang's fuel pump system. Refer to the diagram as a roadmap, ensuring a meticulous understanding of every nuance.

Decoding the Blueprint

Identifying Key Components

Zooming in on the details, focus on identifying key components within the wiring diagram. This includes the fuel pump relay, connectors, and their interconnections. Recognizing these elements streamlines troubleshooting and facilitates targeted repairs.

Identifying Key Components

Tracing Electrical Pathways

Traverse the electrical pathways outlined in the diagram. From the power source to the fuel pump and back, follow the lines meticulously. Understanding the flow of electricity aids in pinpointing potential issues and ensures a systematic approach to problem-solving.

Tracing Electrical Pathways

Diagnostic Tips and Tricks

Armed with knowledge, delve into diagnostic tips and tricks that make troubleshooting a breeze. Learn how to use multimeters, interpret voltage readings, and detect anomalies in the wiring. These insights empower you to address issues with confidence.

Diagnostic Tips and Tricks

Common Issues and Solutions

Explore common issues that Mustang owners may encounter in the fuel pump system. From corroded connectors to frayed wires, this section provides solutions and preventive measures. Equip yourself with the know-how to tackle challenges head-on.

Common Issues and Solutions

Modifications and Upgrades

If you're considering modifications or upgrades to your Mustang's fuel pump system, this section guides you through the process. Understand how to integrate aftermarket components seamlessly, ensuring optimal performance without compromising safety.

Modifications and Upgrades

Maintenance Best Practices

Conclude your journey through the wiring diagram with maintenance best practices. Learn how to keep your fuel pump system in top-notch condition, preventing issues before they arise. Follow recommended schedules and procedures to ensure longevity and reliability.

Maintenance Best Practices

Embark on your journey armed with the knowledge gleaned from the 1998 Mustang Fuel Pump Wiring Diagram. By decoding the blueprint, identifying key components, and mastering diagnostic techniques, you empower yourself to navigate the complexities of your Mustang's fuel pump system with confidence.

Conclusion:

As you reach the conclusion of our exploration into the 1998 Mustang Fuel Pump Wiring Diagram, we trust that this comprehensive guide has equipped you with the knowledge needed to navigate the intricate world of automotive electrical systems. By decoding the blueprint, identifying key components, and mastering diagnostic techniques, you've gained valuable insights into ensuring the optimal performance of your Mustang's fuel pump system. Remember, the road to a well-maintained vehicle is paved with understanding and precision.

In the realm of automotive maintenance, knowledge is indeed power. Armed with the insights provided in this guide, you are better positioned to address issues, make informed decisions about modifications and upgrades, and implement maintenance best practices to keep your 1998 Mustang running smoothly. Whether you're a seasoned DIY enthusiast or a novice looking to understand the 1998 Mustang Fuel Pump Wiring Diagram for the first time, we hope this resource has been a valuable companion on your journey. Stay tuned for more in-depth guides and expert insights as we continue to demystify the complexities of automotive systems.

Keyword:1998 Mustang Fuel Pump Wiring Diagram

Related Keywords:Wiring Guide, Automotive Insights, Electrical Blueprint, Fuel Pump, Mustang 1998


0 komentar