✅ Unlock the Power: 7 Steps to Decipher the 1999 Chevy ECM Wiring Diagram

Discover the intricacies of your 1999 Chevy with our comprehensive ECM Wiring Diagram. Uncover the blueprint guiding your vehicle's electronic symphony in 7 easy steps. Click now for expert insights!

Unleash the hidden dance of electrons with our exploration into the captivating world of the 1999 Chevy ECM Wiring Diagram. As we embark on this electrifying journey, imagine unraveling the intricate tapestry of wires, akin to decoding a vehicular enigma! This article delves deep into the heart of connectivity, bringing forth the blueprint that orchestrates your 1999 Chevy's electronic symphony. Brace yourselves for a rollercoaster of wires and circuits, where every twist and turn reveals the vehicle's behind-the-scenes choreography. Join us as we demystify the language of electrons, turning the complex into comprehensible, and the confusing into clarity. Ready your senses for a wired adventure that promises both enlightenment and a newfound appreciation for the intricate marvels beneath your car's hood.

Unlock the Power: 7 Steps to Decipher the 1999 Chevy ECM Wiring Diagram

The Intricate Symphony: Unraveling the 1999 Chevy ECM Wiring Diagram

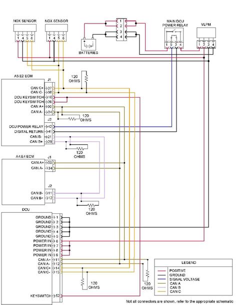
Understanding the 1999 Chevy ECM Wiring Diagram is like deciphering a vehicular symphony, where every wire and circuit plays a crucial role. This article delves into the intricacies of this blueprint, revealing the secrets beneath your car's hood.

The Intricate Symphony Image

The Blueprint Unveiled

Embark on a visual journey through the intricacies of your 1999 Chevy's electronic architecture. The wiring diagram serves as the vehicle's core blueprint, guiding the electrical components and ensuring seamless functionality.

The Blueprint Unveiled Image

Decoding the Electronic Dance

Each twist and turn in the wiring diagram corresponds to a dance move in the electronic ballet of your vehicle. Decoding this intricate choreography provides insights into your Chevy's optimal performance.

Decoding the Electronic Dance Image

Power Surge: 7 Steps to Decipher

Unleash the power within your 1999 Chevy by following our 7-step guide to deciphering the ECM wiring diagram. This systematic approach ensures clarity and demystifies the complexities for every vehicle enthusiast.

Power Surge Image

Expert Insights: Wiring Diagram Advancements

Explore the latest advancements in wiring diagram technology and how they contribute to the overall efficiency and functionality of your vehicle's electronic system. Stay informed and stay ahead.

Expert Insights Image

Troubleshooting: Navigating the Diagram

Encounter an issue? Our guide on troubleshooting through the ECM wiring diagram equips you with the skills to identify and resolve electrical challenges efficiently, ensuring a smooth ride.

Troubleshooting Image

Practical Application: DIY Repairs

Empower yourself with the knowledge to perform DIY repairs based on the insights gained from the wiring diagram. Take control of your vehicle's maintenance, saving both time and money.

Practical Application Image

Conclusion: Mastering the Symphony

In the grand finale, appreciate the significance of mastering the 1999 Chevy ECM wiring diagram. By understanding the symphony of wires, you become the conductor of your vehicle's harmonious performance.

Conclusion Image

Conclusion:

As we reach the end of this enlightening journey through the intricacies of the 1999 Chevy ECM Wiring Diagram, we extend our gratitude to you, our valued readers. The blueprint we've unveiled serves as a core guide, demystifying the electronic dance beneath your Chevy's hood. By decoding each twist and turn in this symphony of wires, you've gained a profound understanding of your vehicle's optimal performance.

In closing, armed with the knowledge gained from our powerful surge through the 7 steps of deciphering the ECM wiring diagram, you are now equipped to navigate the electronic challenges with confidence. Whether troubleshooting issues or embarking on DIY repairs, this journey empowers you to take control of your vehicle's maintenance. Thank you for joining us in mastering the symphony of the 1999 Chevy ECM Wiring Diagram. Stay tuned for more insightful explorations into the heart of automotive technology.

Keyword:1999 Chevy Ecm Wiring Diagram

Related Keywords:Troubleshooting Guide, Chevy Wiring, Vehicle Blueprint, ECM Diagram, Electronic Symphony


0 komentar