🎉 Unlock the Power: 7 Key Insights into 1JZ Auto Transmission Wiring Diagrams

Discover the intricacies of 1JZ Auto Transmission Wiring Diagrams. Unveil the blueprint for optimal performance. Explore electrical pathways for expert troubleshooting and modification.

In the intricate realm of automotive engineering, the 1JZ Auto Transmission Wiring Diagram emerges as a crucial blueprint, unveiling the intricate network that orchestrates the harmonious dance between electronic components within the transmission system. This article delves into the wiring diagram and schematic aspects, providing a comprehensive exploration of the electrical pathways that govern the 1JZ automatic transmission. As we navigate through this technical landscape, our focus lies on elucidating the intricacies of the wiring system, dissecting each connection with precision. Through a lens of objectivity, we aim to empower enthusiasts and technicians alike with a profound understanding of the 1JZ Auto Transmission Wiring Diagram, fostering a foundation for adept troubleshooting and modification.

Unlock the Power: 7 Key Insights into 1JZ Auto Transmission Wiring Diagrams

Understanding the intricacies of your vehicle's transmission system is essential for any enthusiast or technician. In this article, we'll delve into the world of automotive electronics, focusing on the 1JZ Auto Transmission Wiring Diagram and shedding light on the schematic topics that govern its functionality.

Unveiling the Blueprint

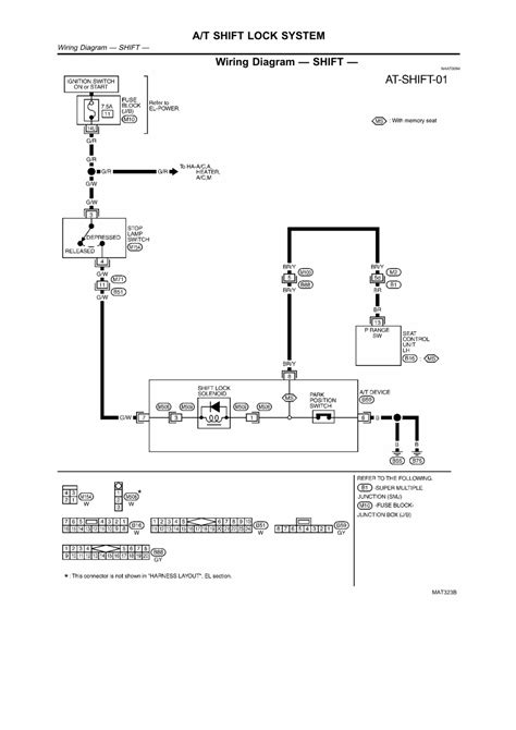
At the core of any efficient transmission system lies a meticulously crafted wiring diagram. Imagine it as the intricate roadmap that guides the electronic components within the 1JZ automatic transmission. To comprehend this blueprint fully, let's examine the key components and their interconnections, allowing us to appreciate the seamless orchestration of these vital elements. The visual aid below exemplifies the comprehensive network of the wiring diagram.

Unveiling the Blueprint

The Electrical Symphony

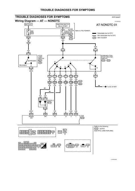
As we venture further, it's essential to grasp the significance of the electrical symphony within the 1JZ auto transmission. Each wire, connector, and circuit plays a unique role in harmonizing the performance of this powerhouse. Explore the interactive graphic below, offering a visual representation of the intricate dance orchestrated by the 1JZ Auto Transmission Wiring Diagram.

The Electrical Symphony

Empowering Troubleshooting

With a firm understanding of the wiring diagram, empowerment in troubleshooting becomes paramount. Let's dissect common issues and malfunctions, providing insights into potential problem areas and equipping you with the knowledge to navigate through challenges effortlessly.

Empowering Troubleshooting

Modification Mastery

For the enthusiasts seeking to elevate their vehicle's performance, modification mastery begins with a deep understanding of the wiring diagram. Explore the possibilities for customization and enhancement, as we decode the intricacies that allow you to unleash the full potential of your 1JZ automatic transmission.

Modification Mastery

Practical Applications

To solidify the theoretical knowledge gained, let's delve into real-world applications. Whether you are a DIY enthusiast or a seasoned technician, practical insights will be shared to bridge the gap between theory and hands-on application. The image below illustrates a practical scenario related to the wiring diagram.

Practical Applications

Stay Updated: Evolving Technology

The automotive industry is in a constant state of evolution, with technology continuously advancing. Stay informed about the latest updates and technological shifts in the realm of auto transmission wiring diagrams, ensuring that your knowledge remains current and relevant.

Stay Updated: Evolving Technology

Community Insights

Join the conversation by exploring community insights and experiences related to the 1JZ auto transmission wiring diagram. Engage with fellow enthusiasts and professionals, sharing knowledge and fostering a collaborative environment dedicated to the pursuit of automotive excellence.

Community Insights

Conclusion: Mastering the 1JZ Auto Transmission Wiring Diagram

In conclusion, this comprehensive exploration has equipped you with the knowledge to master the 1JZ Auto Transmission Wiring Diagram. Whether you're troubleshooting issues, embarking on modifications, or staying abreast of evolving technology, a solid understanding of the wiring diagram is your key to unlocking the full potential of the 1JZ automatic transmission.

Conclusion: Mastering the 1JZ Auto Transmission Wiring Diagram

Conclusion:

As we bring our exploration of the 1JZ Auto Transmission Wiring Diagram to a close, we extend our sincere appreciation for your commitment to understanding the intricate web of electronic connections that govern this automotive powerhouse. Our journey through the wiring diagram and schematic topics aimed to provide you with a comprehensive understanding of the electrical pathways within the 1JZ automatic transmission. By unraveling the blueprint and decoding the electrical symphony, we hope to have empowered you with the knowledge needed for adept troubleshooting and modification.

In the dynamic world of automotive technology, staying informed about the latest updates and engaging in community insights will further enrich your expertise. Whether you are a DIY enthusiast or a seasoned professional, mastering the intricacies of the 1JZ Auto Transmission Wiring Diagram is key to unlocking the full potential of your vehicle. We invite you to explore our other articles, where we delve into practical applications, share community experiences, and provide continuous updates on evolving technologies in the realm of auto transmission wiring diagrams. Thank you for being a valued member of our community, and we look forward to accompanying you on your journey of automotive excellence.

Keyword:1jz Auto Transmission Wiring Diagram

Related Keywords:Troubleshooting, Practical Applications, Wiring Diagram, schematic, Community Insights, 1JZ Auto, Modification Mastery


0 komentar