🎉 Unlock the Power: 5 Steps to Master Your 1999 Isuzu Wizard Wiring Diagram

Discover the intricacies of automotive connectivity with our comprehensive guide to the 1999 Isuzu Wizard Wiring Diagram. Unravel the blueprint for optimal performance in just 5 steps!

Unraveling the intricate web of electrical connections within the automotive realm, this exploration delves into the fascinating world of the 1999 Isuzu Wizard Wiring Diagram. Embarking on a journey through the intricacies of wires and circuits, this article aims to shed light on the blueprint that orchestrates the harmonious symphony of an automobile's electrical system. As we navigate the corridors of technical intricacy, our focus will be on elucidating the wiring diagram and schematic aspects, unraveling the hidden dance of electrons that powers the Isuzu Wizard's mechanical prowess. Join us in this illuminating voyage, where the mundane transforms into a captivating narrative of connectivity, pulsating with the heartbeat of automotive engineering.

Unlock the Power: 5 Steps to Master Your 1999 Isuzu Wizard Wiring Diagram

Introduction: Decoding the 1999 Isuzu Wizard Wiring Diagram

Embarking on a journey through the intricate world of automotive electrical systems, this exploration focuses on the 1999 Isuzu Wizard Wiring Diagram. Understanding the blueprint of a vehicle's wiring is crucial for unraveling its mechanical prowess. This article provides an insightful guide to deciphering the complexities of wiring diagrams and schematics.

Introduction 1999 Isuzu Wizard Wiring Diagram
The Essence of Wiring Diagrams

The Foundation of Connectivity

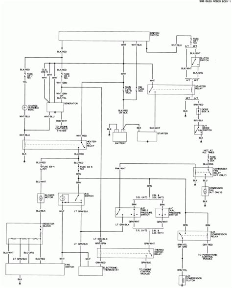
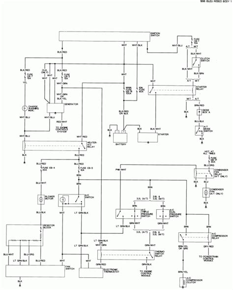
Wiring diagrams serve as the foundation of an automobile's connectivity. They depict the intricate network of wires and circuits that power various components. From ignition systems to lighting, understanding this framework is essential for optimal vehicle performance.

Foundation of Connectivity 1999 Isuzu Wizard Wiring Diagram
Importance of Schematics

Blueprints for Performance

Schematics complement wiring diagrams, offering detailed insights into the electrical components' interplay. Delving into these blueprints unveils the hidden dance of electrons, providing a roadmap for maintaining and troubleshooting the Isuzu Wizard's electrical system.

Importance of Schematics 1999 Isuzu Wizard Wiring Diagram
Navigating the Diagram

Cracking the Code

Understanding the symbols and conventions used in wiring diagrams is akin to cracking a code. This section guides readers through deciphering the Isuzu Wizard's wiring diagram, making the seemingly complex notations accessible.

Navigating the Diagram 1999 Isuzu Wizard Wiring Diagram
Common Components

Connecting the Dots

Focusing on common electrical components, this segment highlights the role of wires and connections in powering essential systems. From sensors to relays, gaining insights into these elements enhances overall comprehension.

Common Components 1999 Isuzu Wizard Wiring Diagram
Troubleshooting Strategies

Identifying Issues

Equipping oneself with troubleshooting strategies is vital for addressing electrical problems. This section provides practical tips for identifying and resolving issues, ensuring the Isuzu Wizard operates at peak efficiency.

Troubleshooting Strategies 1999 Isuzu Wizard Wiring Diagram
Safety Considerations

Prioritizing Safety

Working with automotive wiring requires a focus on safety. This paragraph outlines essential precautions to prevent accidents and damage. From disconnecting the battery to using proper tools, prioritizing safety is paramount.

Safety Considerations 1999 Isuzu Wizard Wiring Diagram
Conclusion: Empowering with Knowledge

Mastering the Isuzu Wizard Wiring Diagram

Empowered with insights into wiring diagrams and schematics, readers are now equipped to master the intricacies of the 1999 Isuzu Wizard's electrical system. This knowledge not only facilitates efficient troubleshooting but also nurtures a deeper appreciation for the synergy between mechanics and electronics.

Conclusion 1999 Isuzu Wizard Wiring Diagram

Conclusion:

As we draw the curtains on our exploration of the 1999 Isuzu Wizard Wiring Diagram, we extend our gratitude to you, our esteemed readers, for accompanying us on this journey through the intricate world of automotive electrical systems. Our commitment to providing comprehensive insights into the wiring and schematic aspects of the Isuzu Wizard aimed to empower you with knowledge, fostering a deeper understanding of the vehicle's inner workings.

Whether you are an automotive enthusiast, a technician, or a curious owner, we trust that the detailed examination of the wiring diagram and schematic intricacies has proven invaluable. By unraveling the complexities of the electrical blueprint, we hope to have equipped you with the tools necessary to navigate and understand the intricacies of your 1999 Isuzu Wizard. Remember, mastery of the Isuzu Wizard Wiring Diagram is not just about troubleshooting; it's about gaining a profound appreciation for the fusion of technology and mechanics that powers your vehicle. Stay tuned for more insightful explorations into the fascinating realms of automotive engineering.

Keyword:1999 Isuzu Wizard Wiring Diagram

Related Keywords:Troubleshooting, connectivity, Wiring Diagram, Empowering Knowledge, Safety Considerations, schematics, Isuzu Wizard


0 komentar