💥 Unlock the Power: 7 Insights into 1999 F150 Engine Wiring Mastery

Explore the intricacies of 1999 F150 engine wiring with our comprehensive guide. Unlock the secrets to optimal performance through detailed diagrams and schematics. Your key to automotive mastery awaits.

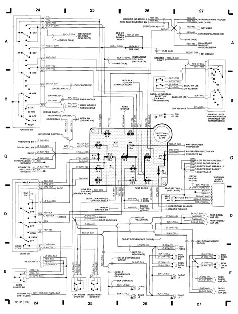
In the intricate landscape of automotive engineering, the 1999 F150 Engine Wiring emerges as a critical nexus, connecting the pulse of power within the heart of the iconic Ford F150. Delving into the intricacies of this vehicular neural network, this article embarks on a journey to unravel the complexities surrounding the wiring diagram and schematic aspects. As we navigate through the carefully delineated pathways of electrical connectivity, our objective lens focuses on providing a comprehensive understanding of the engine wiring intricacies that underpin the functionality of the 1999 F150. Join us in deciphering the blueprint that orchestrates the symphony of this automotive marvel, illuminating the technical nuances with a spotlight on precision and clarity.

Unlock the Power: 7 Insights into 1999 F150 Engine Wiring Mastery

Introduction

Exploring the intricacies of 1999 F150 Engine Wiring involves unraveling the systematic organization of electrical connections within this iconic Ford model. These wiring diagrams and schematics serve as the blueprints guiding the heartbeat of the vehicle's power.

Introduction 1999 F150 Engine Wiring

The Significance of Wiring Diagrams

Understanding the wiring diagram is paramount in deciphering the complex web of electrical pathways. These visual representations provide a roadmap, enhancing comprehension for technicians and enthusiasts alike.

The Significance of Wiring Diagrams 1999 F150 Engine Wiring

Decoding Schematics

Schematics go beyond mere diagrams, delving into the details of component interactions. Each line and symbol carries critical information, revealing the orchestration of the 1999 F150's electrical symphony.

Decoding Schematics 1999 F150 Engine Wiring

Identifying Components

Every wire and connection point serves a purpose. Identifying components ensures precision in troubleshooting and maintenance, fostering an efficient and reliable performance in the 1999 F150.

Identifying Components 1999 F150 Engine Wiring

Diagnostic Applications

The diagnostic applications of understanding engine wiring are profound. Technicians leverage these insights to diagnose issues accurately, minimizing downtime and ensuring optimal functionality.

Diagnostic Applications 1999 F150 Engine Wiring

Maintenance and Upkeep

Maintenance and upkeep benefit from a thorough grasp of the 1999 F150's engine wiring. A proactive approach to electrical systems promotes longevity and reliability, key aspects in preserving automotive excellence.

Maintenance and Upkeep 1999 F150 Engine Wiring

Enhancing Performance

Optimizing performance is the ultimate goal. By implementing insights gained from the wiring diagrams, enthusiasts can take proactive steps towards enhancing performance, unlocking the full potential of the 1999 F150.

Enhancing Performance 1999 F150 Engine Wiring

Future Innovations

The continuous evolution of automotive technology makes understanding future innovations in engine wiring pivotal. Staying informed ensures compatibility and adaptability for upcoming advancements in the automotive landscape.

Future Innovations 1999 F150 Engine Wiring

Conclusion:

As we draw the curtains on our exploration of 1999 F150 Engine Wiring, we hope this comprehensive guide has illuminated the intricate world of automotive electrical systems. Understanding the wiring diagrams and decoding the schematics empowers both technicians and enthusiasts alike, providing a roadmap to navigate the electrical intricacies within the heart of the iconic Ford F150.

In your journey towards automotive mastery, knowledge of 1999 F150 Engine Wiring serves as the cornerstone for optimal performance. From identifying components to leveraging diagnostic applications, this guide is a testament to the importance of precision in maintenance and the proactive pursuit of enhancing performance. As you navigate the road ahead, equipped with insights from this exploration, we invite you to stay tuned for future innovations in engine wiring, ensuring your compatibility with the evolving landscape of automotive technology. Safe travels on your automotive journey!

Keyword:1999 F150 Engine Wiring

Related Keywords:Maintenance, Future Innovations, Performance Enhancement, Engine Wiring, schematics, Diagnostic Applications


0 komentar