🎉 Revitalize Your Ride: Unleashing the Power of '98 Chevy Silverado Wiring Harness with a Dynamic Wiring Diagram Deciphering!

Explore the heart of automotive precision with our comprehensive guide to the 1998 Chevy Silverado Wiring Harness. Uncover the dynamic wiring diagram, unraveling the intricacies that power this iconic vehicle. Drive into the future of connectivity!

In the intricate network of automotive anatomy, the 1998 Chevy Silverado Wiring Harness serves as the nerve center, orchestrating the symphony of electrical components that breathe life into this iconic vehicle. Delving into the labyrinth of wires, this article unveils the intricate dance of electrons through a detailed exploration of the wiring diagram and schematic intricacies. As we embark on this journey, we navigate the corridors of technical precision, unraveling the mysteries concealed within the silverado's electrical veins. Join us as we illuminate the path through insightful analysis, shedding light on the vital connections that power the heart and soul of the 1998 Chevy Silverado.

Revitalize Your Ride: Unleashing the Power of

Introduction

Embarking on an electrifying journey into the intricate anatomy of automotive engineering, we turn our focus to the 1998 Chevy Silverado Wiring Harness. This vital component serves as the neural network, orchestrating the symphony of electrical currents that breathe life into this iconic vehicle.

Understanding the Basics

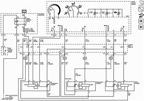
At the core of the Silverado's electrical system lies the fundamental architecture of the wiring diagram. This visual roadmap meticulously outlines the interplay of wires, connectors, and vital components. Imagine it as a digital atlas guiding the electricity's flow with precision. Take a closer look at this dynamic blueprint to unveil the secrets hidden within.

Understanding the Basics
Deciphering the Schematic

Delving deeper, we encounter the schematic, a detailed visual representation akin to the Silverado's electrical DNA. Each line and symbol tells a story, unraveling the intricacies of connections. It's here that we decode the language of currents, understanding how power surges through the vehicle's veins.

Deciphering the Schematic
Navigating the Harness Maze

The 1998 Chevy Silverado Wiring Harness is a labyrinth of interconnected wires and cables, weaving through the vehicle's frame. This section navigates through this intricate maze, shedding light on how the harness optimizes electrical distribution, ensuring seamless communication between components.

Navigating the Harness Maze
Key Components: Sensors and Modules

Within the harness lie essential components like sensors and modules, each playing a crucial role in the Silverado's performance. This segment zooms in on these key players, uncovering their responsibilities and contributions to the vehicle's overall functionality.

Key Components: Sensors and Modules
Troubleshooting and Maintenance

Even a well-engineered system may encounter glitches. This part of the journey equips you with insights on troubleshooting common issues and performing routine maintenance. Learn how to identify, diagnose, and address potential challenges, ensuring your Silverado remains in top-notch electrical health.

Troubleshooting and Maintenance
Upgrading for Performance

If you're yearning for enhanced performance, this segment explores the possibilities of upgrading your 1998 Chevy Silverado Wiring Harness. Discover aftermarket options, modifications, and how these changes can elevate your driving experience to new heights.

Upgrading for Performance
Safety Considerations

Amidst the technical exploration, safety remains paramount. Here, we emphasize the importance of adhering to safety guidelines when dealing with the Silverado's electrical system. Understanding the risks and precautions ensures a secure environment for any maintenance or modification endeavors.

Safety Considerations
Conclusion

As we conclude this expedition into the intricate world of the 1998 Chevy Silverado Wiring Harness, we've unveiled the blueprint, decoded the schematic, and navigated the labyrinth. Whether you're a novice seeking basic understanding or an enthusiast aiming to optimize performance, this guide provides the insights needed to harness the power within your Silverado.

Conclusion:

As we draw the curtains on our comprehensive exploration of the 1998 Chevy Silverado Wiring Harness, we trust you've gained invaluable insights into the intricacies of this critical automotive component. Navigating through the wiring diagram and schematic intricacies, we uncovered the silverado's electrical anatomy, unraveling its secrets with precision. The wiring harness, often overlooked, emerges as the silent conductor orchestrating the symphony of electrical currents that power this iconic vehicle.

Whether you're a seasoned enthusiast seeking to optimize your Silverado's performance or a novice delving into the world of automotive engineering, our journey has equipped you with the knowledge to navigate the complexities of the 1998 Chevy Silverado Wiring Harness. As you embark on your own automotive ventures, remember the importance of safety and diligence when dealing with the electrical heartbeat of your vehicle. Stay tuned for more in-depth explorations into the mechanics that propel our beloved vehicles forward. Your journey into the heart of automotive precision continues, fueled by a newfound understanding of the wiring harness's role in the symphony of your Silverado's performance.

Keyword:1998 Chevy Silverado Wiring Harness

Related Keywords:Wiring Diagram, Schematic Exploration, Upgrade Options, Electrical Precision, Chevy Silverado


0 komentar