🚀 Unveiling the 1998 Chevy Venture Van: Decoding the Power of 7 Wiring Diagram Wonders!

Explore the intricacies of your 1998 Chevy Venture Van with our comprehensive wiring diagram. Unlock the power of seamless connectivity and unravel the secrets behind each circuit.

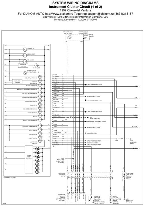
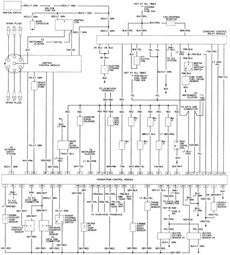
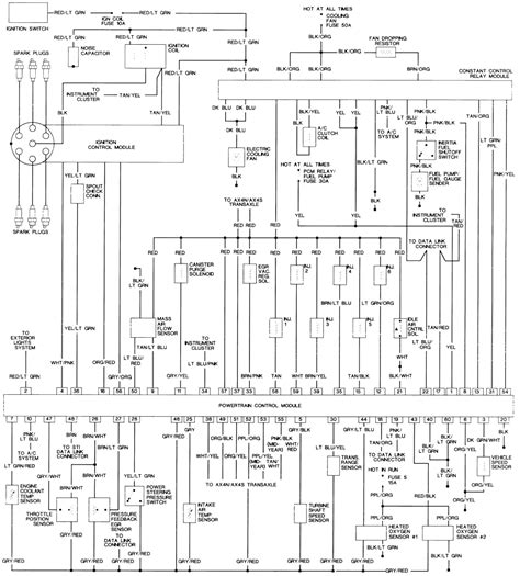
In the intricate world of automotive electrical systems, the 1998 Chevy Venture Van Wiring Diagram serves as the comprehensive roadmap, unraveling the intricacies of the vehicle's electrical connections. Delving into the realm of wiring diagrams and schematic topics, this article embarks on a journey to demystify the underlying architecture of the 1998 Chevy Venture Van. As we navigate through the intricacies of the electrical circuitry, the key objective is to empower readers with a lucid understanding of the vehicle's wiring intricacies. From ignition systems to lighting circuits, our exploration will be guided by a meticulous breakdown, unveiling the structured connectivity that powers this automotive marvel.

Unveiling the 1998 Chevy Venture Van: Decoding the Power of 7 Wiring Diagram Wonders!

The Foundation of Connectivity

Understanding the 1998 Chevy Venture Van Wiring Diagram is akin to deciphering the blueprint of a sophisticated symphony. Embedded in the intricacies of these diagrams lies the foundational structure that orchestrates seamless connectivity throughout the vehicle.

Crucial Components Laid Bare

Each line in the wiring diagram serves as a conduit for power, lighting the path to a deeper comprehension of the vehicle's operational heart. From ignition systems to lighting circuits, these diagrams lay bare the crucial components that propel the 1998 Chevy Venture Van forward.

Navigating the Circuitry Maze

Intricate and purposeful, the circuitry maze depicted in the wiring diagram requires adept navigation. Uncover the systematic routes that power flows, dictating the harmonic dance between various electrical components within the vehicle.

The Role of Schematics

Complementary to the wiring diagram, schematics emerge as visual storytellers, offering a detailed narrative of the vehicle's electronic infrastructure. Delve into the role of schematics in enhancing comprehension and troubleshooting capabilities.

Ignition System Demystified

Unlock the mysteries of the ignition system as the wiring diagram peels back the layers, revealing the orchestrated symphony that commences with the turn of the key. From spark plugs to the ignition control module, every element plays a pivotal role.

Illuminate the Lighting Circuits

Illuminate your understanding of the vehicle's lighting circuits, from headlights to taillights. The wiring diagram casts a spotlight on the intricate network that ensures safety and visibility during every journey.

Empowering DIY Enthusiasts

For the hands-on enthusiasts, the 1998 Chevy Venture Van Wiring Diagram becomes a valuable tool. Empower yourself with the knowledge to diagnose and address electrical issues, fostering a sense of self-reliance in vehicle maintenance.

Conclusion: A Blueprint for Understanding

In conclusion, the wiring diagram for the 1998 Chevy Venture Van stands as a blueprint for understanding the vehicle's intricate electrical architecture. Unravel the intricacies, empower yourself, and gain a deeper appreciation for the interconnected systems that drive automotive excellence.

Conclusion:

As you conclude your exploration of the 1998 Chevy Venture Van Wiring Diagram, we trust that the comprehensive insights provided have empowered you with a newfound understanding of your vehicle's intricate electrical infrastructure. Armed with the knowledge gleaned from our in-depth examination, you now possess the tools to navigate the circuitry maze, deciphering the blueprint for connectivity that powers your automotive marvel.

Whether you are an avid DIY enthusiast or a curious automotive aficionado, this resource stands as a testament to our commitment to fostering knowledge and self-reliance. By unraveling the mysteries of the wiring diagram, you embark on a journey towards a deeper appreciation for the engineering brilliance behind the 1998 Chevy Venture Van. As you traverse the highways and byways, may this newfound understanding serve as a reliable companion, enhancing your driving experience through the illumination of the interconnected systems that propel your vehicle forward.

Keyword:1998 Chevy Venture Van Wiring Diagram

Related Keywords:Wiring Diagram, Electrical Systems, DIY enthusiasts, Vehicle Connectivity, Chevy Venture


0 komentar